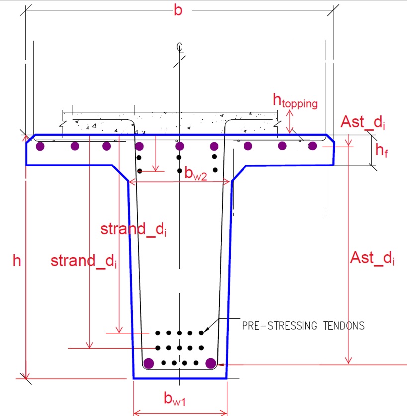
Erebar = 200 205 195 kN/mm2 Eprestressing steel = 195 205 200 kN/mm2 Concrete strength, fcucube = 40 30 35 40 45 50 55 60 65 N/mm2 steel rebar, fst = 500 460 500 250 N/mm2 beam width , b = 300 5075100125150175200215225230235240245250255260265275280290300310315320325330335340345350360365370375380390400410415420425430450460475480500510525550575580600615625650675700725750775800825850875900925950975100010251050107511001125115011751200122512501275130013501375140014251450147515001525155015751600162516501675170017251750177518001850187519001925195019752000202520502075210021252150217522002225225022752300235023752400242524502475250025252550257526002625265026752700272527502775280028502875290029252950297530003025305030753100312531503175320032253250327533003350337534003425345034753500 mm  beam depth , h =825 5075100125150175200215225230235240245250255260265275280290300310315320325330335340345350360365370375380390400410415420425430450460475480500510525550575580600615625650675700725750775800825850875900925950975100010251050107511001125115011751200122512501275130013501375140014251450147515001525155015751600162516501675170017251750177518001850187519001925195019752000202520502075210021252150217522002225225022752300235023752400242524502475250025252550257526002625265026752700272527502775280028502875290029252950297530003025305030753100312531503175320032253250327533003350337534003425345034753500 mm   bottom cover to center of bottom rebar 251520253035404550556065707580859095100105110115120125130135140145150 mm  top cover to center of top rebar 251520253035404550556065707580859095100105110115120125130135140145150 mm fpst = 1860 1650 1600 N/mm2 Max initial prestress = fpst_initial = 70 75 % of fpst % loss = 25 20 25 30 % Prestressing Details , (Note: minimum 2 nos top rebars or 2 nos top strands is required) (Put in prestressing details separated by single spaces) φstrands diameters = (all in mm) (φstrands = 9.53 12.9 15.2 )mm Strand nos = Strand d = ( mm - make reference from top of beam/topping ) Rebar Details Include rebars ? : If not SELECTED, rebars details below will be ignored! (Put in rebars details separated by single spaces) Ast Diameters = (all in mm) (rebar = 8 10 12 13 16 20 25 32 40 50 )mm Ast nos = Ast d = ( mm - make reference from top of beam/topping )
HOME
TOP
rys.com.sg is a product of RYS Consultants Pte Ltd. e-mail: rys3003@gmail.com
Copyright 2013-2017 RYS Consultants Pte Ltd